Ventilation

Ventilation

In Ventilation, we calculate the area and air changes as per ISHRAE norms. We design and build projects,

  1. Toilet ventilation – Inline fans and ducting.
  2. Commercial space ventilation work.
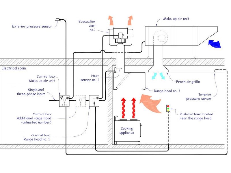
  3. Kitchen Ventilation work.
image
image
image